南通久盛新材料科技有限公司专业玻璃钢产品制造商

4产品中心

 产品说明
视图/实例型号尺寸(mm)
A×B×t
单位重量(kg/m)
00.jpg1-U140140×203×3.23.20
 1.jpg2-U4040×20×50.84
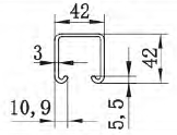
 2.jpg3-U4242×42×30.73
 3.jpg4-U4343×25×30.61
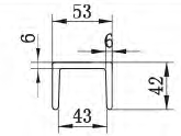
 4.jpg5-U5353×42×6-51.35
 5.jpg6-U180180×75×53.15
 6.jpg7-U200200×50×9.56.60

电话

13615233818